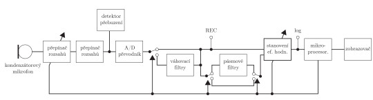
Akustická měření se provádějí pomocí zvukoměru. Jedná se o zařízení sloužící k měření akustických veličin sestávající zpravidla z kondenzátorového mikrofonu, jednotky zpracovávající signály a zobrazovací jednotky. V moderním digitálním zvukoměru se naměřený signál zesiluje pomocí zesilovače a převádí A/D převodníkem. Poté se aplikují volitelné váhovací a pásmové filtry, z jejichž výstupu se určuje efektivní hodnota signálu, která je pomocí mikroprocesoru zobrazena na displeji. Blokové schéma je na obr. 112.
Poznámka
Vzhledem k tomu, že citlivost ucha na různé kmitočty se liší, zavádí se tzv. váhovací křivky. Ty se využívají při měření hluku k automatické filtraci signálu, aby naměřený signál odpovídal signálu vnímanému lidským uchem. Pro běžně aplikace se využívají tři různé druhy těchto filtrů.
Obr. 112. Blokové schéma digitálního zvukoměru
Podle definice doby dozvuku (uvedené v kapitole 10) je tato doba charakterizována poklesem hustoty zvukové energie o 60 dB. Jedná se o velký dynamický rozsah, který je v běžném prostředí prakticky neměřitelný. Vzhledem k lineárnímu trendu klesání doby dozvuku se v praxi využívá metoda, při které se měří pouze polovina (pokles o 30 dB), případně třetina (pokles o 20 dB) tohoto poklesu. Naměřená doba se dle využité metody vynásobí 2× nebo 3× a prohlásí se za dobu dozvuku. Tato doba dozvuku se poté srovnává s tabulkovými hodnotami podle objemu místnosti a při nevyhovující hodnotě se navrhují akustické úpravy prostoru.
Pro měření kročejového hluku (uvedeného v kapitole 11) se využívá speciálního zdroje tohoto typu hluku – tzv. normalizovaného klepadla. To 10× za sekundu generuje údery dopadem soustavy pěti paliček s hmotností 0,5 kg na podlahu z výšky 40 cm. Zvukoměrem je naměřena akustická intenzity hluku a poté je výpočtem pomocí vztahu (43) určena hladina intenzity kročejového hluku:
kde
je hladina intenzity kročejového hluku,
je naměřená akustická intenzita hluku a A je celková pohltivost místnosti.
Akustický výkon zdrojů hluku (diskutovaný v kapitole 11) se měří následujícími způsoby:
- Měření v dozvukové místnosti – jedná se o místnost, která je cíleně tvořena vysoce odraznými plochami napomáhající vytvoření difúzního pole (viz kapitolu 10). Je-li zdrojem zvuku zdroj stálého hluku, odpovídá akustický výkon ve všech místech místnosti akustickému výkonu vytvářenému zdrojem.
- Měření v bezodrazové místnosti – jedná se o prostor, jehož stěny jsou obloženy pohltivými materiály s cílem totálního pohlcení veškerého vytvářeného zvuku. Měření pak neovlivňují odražené vlny, jejichž množství je dáno vlastnostmi prostoru. Předpokládá se rovnost hladiny akustické intenzity a hladiny akustického tlaku. Měření se provádí v mnoha bodech umístěných na povrchu imaginární koule s poloměrem např. 80 cm, jejíž střed se nachází v místě měřeného zvukového zdroje. Tzv. „provozní metoda“ se měří v méně bodech pouze na povrchu polokoule.
- Měření pomocí akustické intenzity – měření pomocí dvoumikrofonní intenzitní (p-p) sondy, pomocí níž je možné měřit normálovou složku akustické intenzity. Měření probíhá na povrchu imaginárního kvádru / krychle.
Měření směrové charakteristiky reproduktorů (viz kapitolu 12.1) se provádí v bezodrazové místnosti pomocí otočného stolku, na kterém je umístěn reproduktor. Měřící mikrofon je umístěn ve statické poloze. Měření se provádí pro různé kmitočty, vzhledem ke kmitočtové závislosti směrové charakteristiky. Výsledkem je několik naměřených směrových charakteristik vynesených do polárního grafu, v jehož středu se nachází reproduktor a kde v úhlu 0° leží akustická osa reproduktoru (viz obr. 111).
