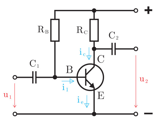
Jedná se o využití vlastností tranzistorů pro zesilování napětí a proudu. Nejjednodušší zapojení zesilovače je tzv. zapojení se společným emitorem (viz obr. 46). Zesiluje se vstupní napětí
na výstupní napětí
, přičemž maximální výstupní napětí a proud charakterizuje vlastnost napěťového zdroje
.
Obr. 46. Tranzistor jako zesilovač v zapojení se společným emitorem
Vstupní napětí je přivedeno do obvodu přes kondenzátor, který plní funkci oddělení stejnosměrné složky napětí pro nastavení pracovního bodu. Napěťové změny na bázovém vývodu tranzistoru vyvolávají proudové změny kolektorem. Dochází tak k samočinnému regulování průchodu elektrického proudu z napěťového zdroje (který dosahuje většího napětí než vstupní signál) v rytmu vstupního signálu. Aby však tranzistor zesiloval, je nutné nastavit jeho pracovní podmínky dalšími elektrickými prvky. Ze vstupních charakteristik tranzistoru uvedených v kapitole 3.4 vyplývá, že lineární vstupní charakteristiky nabývá tranzistor až od určité nenulové hodnoty vstupního proudu. Na bázi tranzistoru se proto přivádí klidový proud, jehož velikost určuje rezistor
. Podle velikosti tohoto klidového proudu (pracovního bodu) rozlišujeme následující třídy zesilovačů:
- Třída A – pracovní bod je nastaven doprostřed své lineární charakteristiky, viz obr. 47. Zesilovače této třídy jsou nejvíce lineární, mají však malou účinnost (~ 20 %), velký příkon a velké tepelné ztráty.
Obr. 47. Převodní charakteristika zesilovače ve třídě A
- Třída B – tvoří jej nejčastěji dvojice zesilovačů (tranzistorů NPN a PNP), z nichž každý zesiluje jednu polovinu periody vstupního signálu, viz obr. 48. Průchodem signálu nulou vzniká nežádoucí zkreslení (generování vyšších harmonických kmitočtů). Dosahuje se vyšší účinnosti (~ 70 %) za využití malého klidového proudu.
Obr. 48. Převodní charakteristika zesilovače ve třídě B
- Třída AB – Využívá se zde kvalit zesilovače ve třídě A se zachováním účinnosti třídy B. Tranzistory jsou uspořádány jako u třídy B, avšak pracovní bod je nastaven tak, že se nevyužívá silně nelineární počátek převodní charakteristiky, viz obr. 49. Tím se dosahuje potlačení zkreslení při průchodu nulou. Tranzistory však prochází vyšší klidový příčný proud, což mírně snižuje účinnost (~ 50 %). Tento druh zesilovače je ve zvukové technice nejpoužívanější.
Obr. 49. Převodní charakteristika zesilovače ve třídě AB
- Třída C – Pracovní bod zesilovače je nastaven před lineární oblast, dochází tedy k zesilování pouze kladných napěťových špiček, viz obr. 50. Tento druh zesilovače se využívá ve vysokofrekvenční technice, pro použití ve zvukové technice je nepoužitelný.
Obr. 50. Převodní charakteristika zesilovače ve třídě C
- Třída D – vstupní analogový signál je převeden komparátorem na dvoustavový signál PWM (viz kapitolu 3.7), takto zesílen a převeden zpět do analogové podoby (s využitím dolní propusti), viz obr. 51. Dosahuje se vysoké účinnosti (~ 80 % – 90 %) s vyhovující linearitou, avšak možnou ztrátou vyšších kmitočtů. Je hojně využívaný ve výkonových zesilovačích, které se používají k zesílení zvukového signálu například v kinech.
Obr. 51. Převodní charakteristika zesilovače ve třídě D
- Třídy G a H – fungují na principu zesilovače ve třídě D, avšak využívají více napájecích hladin pro efektivní řízení spotřeby a zvýšení účinnosti. Zesilovač ve třídě G přepíná mezi úrovněmi napájecího napětí. Zesilovač ve třídě H disponuje plynulým nastavením napájecí úrovně pomocí napěťově řízeného zdroje.





