3.1
Kondenzátor v obvodu stejnosměrného proudu
3.1.1
Teoretický úvod
Základní vlastnosti obvodových veličin:
  • Základními obvodovými veličinami je napětí U[V] a proud I[A].
  • Napětí a proudy jsou konstantní v čase (mají jednu definovanou hodnotu).
  • Napětí se může v obvodech skokově měnit → přechodné děje v obvodu.
  • Elektrický proud protéká pouze v uzavřeném elektrickém obvodu.
Základní vlastnosti kondenzátoru:
  • Kondenzátor je akumulační prvek.
  • Může být zapojen do obvodu se zdroji napětí i proudu.
  • Rezistory, kondenzátory a cívky mají v obvodech s působením stejnosměrného proudu jiné charakteristické vlastnosti než v obvodech s působením střídavého proudu.
Základní definiční vztahy:
  • Kapacita kondenzátoru (obecný vztah, bez jednotek):
C=E0·Er·Sl .
  • Vztah mezi kapacitou kondenzátoru C, nábojem Q a napětím UC:
C=QUc   [F;C, V] .
  • Výsledná hodnota sériového zapojení kondenzátorů C1, C2:
1CAB=1C1+1C2=C2+C1C1·C2 ,
CAB=C1·C2C1+C2 .
  • Paralelní zapojení N kondenzátorů:
CAB = C1+C2+C3+…+CN [ F; F, F, …, F].
3.1.2
Výpočet kapacity kondenzátoru
Příklad
[Příklad č. 56] Vypočítejte kapacitu C deskového kondenzátoru s následujícími parametry. Vzdálenost desek 0,1 mm, materiálem dielektrika je kondenzátorový papír. Desky jsou obdélníkového průřezu s rozměry a4,5 mm, b8,2 mm.
Zobrazit řešení
Skrýt řešení
Řešení
Materiál dielektrika (kondenzátorový papír) se vyznačuje poměrnou permitivitou r = 3. Výpočet hodnoty kapacity vychází z obecné definice:
C=E0·Er·Sl=8,854·10-12·3·S0,1·10-3 .
Plocha desek S je plochou povrchu vodivé desky kondenzátoru:
S=a·b=4,5·8,2=36,9 mm2=36,9·10-6 m2 .
Kapacita kondenzátoru:
C=E0·Er·Sl=8,854·10-12·3·36,9·10-60,1·10-3=9,8 pF .
Kapacita kondenzátoru je 9,8 pF.
Příklad
[Příklad č. 57] U kondenzátoru z předchozího příkladu vypočítejte plochu desek, aby hodnota výsledné kapacity kondenzátoru byla C = 35 pF.
Zobrazit řešení
Skrýt řešení
Řešení
Ze základního definičního vztahu pro výpočet kapacity vyjádříme parametr plochy desek.
C=E0·Er·Sl      S= nutné vyjádřit ze vzorce ,
S= C·lE0·Er=35·10-12·0,1·10-38,854·10-12·3=3,5·10-152,656·10-11=131,78·10-6m2 .
Plocha desek kondenzátoru musí mít hodnotu S=131,78 mm2.
Příklad
[Příklad č. 58] Vypočítejte výslednou kapacitu kondenzátoru, který je realizován z desky plošného spoje. Parametry desky jsou následující: Er=2,2 , vzdálenost desek 0,6 mm, rozměry vodivé desky a=5,5 mm, b=10,5 mm .
Zobrazit řešení
Skrýt řešení
Řešení
Plocha desek:
S=a·b=5,5·10,5=57,75 mm2=55,75·10-6 m2 ,
C=E0·Er·Sl=8,854·10-12·2,2·55,75·10-60,6·10-3=1,81·10-12=1,81 pF.
Kondenzátor bude mít kapacitu C=1,81 pF .
3.1.3
Výpočet výsledné kapacity kondenzátorů v obvodu
Kondenzátory jsou v aplikacích zapojovány do série (za sebou), paralelně (vedle sebe) nebo v sérioparalelních kombinacích. Výpočet výsledné kapacity kondenzátorů mezi dvěma body v obvodu je častou problematikou, kterou je potřeba při řešení obvodů vyřešit.
+
34. [Příklad č. 59] Výpočet výsledné kapacity
Obr. 34. [Příklad č. 59] Výpočet výsledné kapacity
Příklad
[Příklad č. 59] V obvodu jsou zapojeny čtyři kondenzátory s hodnotami kapacit C1 = 10 nF, C2 = 50 nF, C3 = 100 nF, C4 = 100 nF. Slovně popište zapojení kondenzátorů v obvodu a vypočítejte hodnotu výsledné kapacity CAB.
Zobrazit řešení
Skrýt řešení
Řešení
Slovní popis obvodu:
  • mezi svorkami A-B v obvodu se nachází čtyři kondenzátory,
  • kondenzátor C1 je zapojen paralelně ke kondenzátoru C2 (výsledná hodnota C12),
  • kondenzátory C3C4 jsou zapojeny do série (výsledná hodnota C34),
  • výsledná hodnota kapacity CAB je definována jako hodnota C12 a v paralelním zapojení hodnota kapacity C34.
Výpočet výsledné kapacity CAB:
C12=C1+C2=10 nF+50 nF=60 nF ,
C34=C3·C4C3+C4=100·10-9·100·10-9100·10-9+100·10-9=1·10-14200·10-9=1·10-5200=50 nF,
CAB=C1234=C12C34=C12+C34=60 nF+50 nF=110 nF.
Výsledný kapacita CAB v obvodu má hodnotu 110 nF.
+
35. [Příklad č. 60] Výpočet výsledné kapacity
Obr. 35. [Příklad č. 60] Výpočet výsledné kapacity
Příklad
[Příklad č. 60] V obvodu jsou zapojeny čtyři kondenzátory s hodnotami kapacity C1 = 10 nF, C2 = 50 nF, C3 = 100 nF, C4 = 150 nF. Vypočítejte hodnotu výsledné kapacity CAB.
Zobrazit řešení
Skrýt řešení
Řešení
Při výpočtu využijeme metodu postupného zjednodušování, kdy dva a více kondenzátorů nahrazujeme kondenzátorem jedním. (Využíváme výpočetních vztahů pro sériové a paralelní zapojení kondenzátorů.) Kondenzátor C14 je ekvivalentem sériového zapojení C1C4, kondenzátor C23 je ekvivalentem paralelního zapojení C2C3.
C23=C2+C3=50 nF+100 nF=150 nF.
C14=C1·C4C1+C4=10 nF·150 nF10 nF+150 nF=1 500 nF160 nF=9,375 nF. 
Pro další výpočty zaokrouhlíme vypočítanou hodnotu C14 na hodnotu 9,4 nF. Kondenzátory C14 a C23 jsou zapojeny do série, pro výslednou hodnotu kapacity C1234 platí:
C1234=C14·C23C14+C23=9,4·10-9·150·10-99,4·10-9+150·10-9=1 410·10-9159,4·10-9=8,8456·10-9F .
Vypočítanou hodnotu C1234  zaokrouhlíme na hodnotu:
C1234=8,85 ·10-9F=8,85 nF .
Výsledná kapacita v obvodu CAB= C1234=8,85 nF .
+
36. [Příklad č. 61] Návrh obvodu s kondenzátory
Obr. 36. [Příklad č. 61] Návrh obvodu s kondenzátory
Příklad
[Příklad č. 61] V obvodu jsou zapojeny tři kondenzátory s hodnotami kapacity C1 = 100nF, C2 = 100 nF. Vypočítejte potřebnou hodnotu kondenzátoru C3, aby výsledná hodnota kapacity obvodu CAB byla 75 nF.
Zobrazit řešení
Skrýt řešení
Řešení
Kapacita obvodu mezi svorkami A-B je dána vztahem:
Obecně: CAB=C1a v sérii zapojeny C2,C3(paralelně) ,
CAB=C1·C2+C3C1+C2+C3 .
Pro stanovení hodnoty kondenzátoru C3 upravíme předchozí vztah:
CAB·C1+C2+C3=C1·C2+C3 ,
CAB·C1+CAB·C2+CAB·C3=C1·C2+C1·C3.
Všechny výrazy z C3 přesuneme na levou stranu rovnice:
CAB·C3-C1·C3=C1·C2-CAB·C1-CAB·C2 .
Výsledný tvar pro výpočet C3 má podobu:
C3=C1·C2-CAB·C1-CAB·C2CAB-C1 ,
C3=100 nF·100 nF-75 nF·100 nF-75 nF·100 nF75 nF-100 nF=10 000 nF-7 500 nF-7 500 nF-25 nF=-5 000 nF-25 nF=200 nF .
[Výsledek: Aby CAB=75 nF , musí mít kondenzátor C3 hodnotu 200 nF.]
+
37. [Příklad č. 62] Návrh obvodu s kondenzátory
Obr. 37. [Příklad č. 62] Návrh obvodu s kondenzátory
Příklad
[Příklad č. 62] V obvodu jsou zapojeny čtyři kondenzátory s hodnotami kapacity C1 = 220 nF, C2 = 220 nF a C3 = 100 nF. Vypočítejte potřebnou hodnotu kondenzátoru C4, aby výsledná hodnota kapacity obvodu CAB měla hodnotu 160 nF.
Zobrazit řešení
Skrýt řešení
Řešení
Vypočítejte samostatně:
……………………………………………………………………………
[Výsledek: Aby CAB=160 nF , musí mít kondenzátor C4 hodnotu 100 nF.]
3.1.4
Výpočet náboje a napětí na kondenzátoru
Základní vlastností kondenzátorů je schopnost ukládat náboje (při nabíjení) a odvádět náboj (při vybíjení) z vodivých desek. Při ukládání nebo odvádění náboje se mění napětí na deskách kondenzátoru. Vztah mezi nábojem kondenzátoru Q, napětím kondenzátoru U a kapacitou C udává vztah:
C=QU   F;C,V.
+
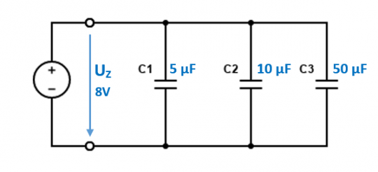
38. [Příklad č. 63] Náboj a napětí kondenzátorů (paralelní zapojení)
Obr. 38. [Příklad č. 63] Náboj a napětí kondenzátorů (paralelní zapojení)
Příklad
[Příklad č. 63] V obvodu s kondenzátory C1 = 5 µF, C2 = 10 µF, C3 = 50 µF vypočítejte velikost uloženého náboje na jednotlivých kondenzátorech. Slovně popište vlastnosti obvodových veličin a obvodových prvků v obvodu. Hodnota napětí zdroje UZ = 8 V. Jaký celkový náboj byl odebrán ze zdroje UZ?
Zobrazit řešení
Skrýt řešení
Řešení
Slovní popis obvodu:
  • kondenzátory C1, C2 a C3 jsou mezi sebou zapojeny paralelně,
  • zdroj napětí UZ je připojen ke kondenzátorům paralelně,
  • napětí na všech kondenzátorech má hodnotu UZ,
  • velikost uloženého náboje bude na jednotlivých kondenzátorech rozdílná.
Výpočty:
Výpočet velikosti náboje na jednotlivých kondenzátorech určíme ze vztahu:
C=QUQ=C·U.
Pro napětí v obvodu platí:
UZ=UC1=UC2=UC3 .
Výše uvedenou rovnost můžeme rozepsat:
QCCV=QC1C1=QC2C2=QC3C3 .
Na kondenzátoru C1 bude uložený náboj QC1:
QC1=C1·UC1=5·10-6·8=40·10-6 C= 40 µC .
Na kondenzátoru C2 bude uložený náboj QC2:
QC2=C2·UC2=10·10-6·8=80·10-6 C =80 µC .
Na kondenzátoru C3 bude uložený náboj QC3:
QC3=C3·UC3=50·10-6·8=400·10-6 C =400 µC .
Ze zdroje napětí byl odebrán náboj, který je roven součtu dílčích nábojů uložených v jednotlivých kondenzátorech.
QC=QC1+QC2+QC3=40+80+400=520·10-6 C= 520 µC .
Největší náboj je uložen na kondenzátoru s největší kapacitou.
+
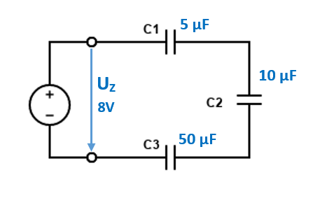
39. [Příklad č. 64] Náboj a napětí kondenzátorů (sériové zapojení)
Obr. 39. [Příklad č. 64] Náboj a napětí kondenzátorů (sériové zapojení)
Příklad
[Příklad č. 64] V obvodu s kondenzátory C1 = 5 µF, C2 = 10 µF, C3 = 50 µF vypočítejte velikost uloženého náboje na jednotlivých kondenzátorech. Slovně popište vlastnosti obvodových veličin a obvodových prvků v obvodu. Hodnota napětí zdroje UZ = 8 V. Vypočítejte hodnotu napětí na jednotlivých kondenzátorech v obvodu a překontrolujte platnost druhého Kirchhoffova zákona.
Zobrazit řešení
Skrýt řešení
Řešení
Slovní popis obvodu:
  • kondenzátory C1, C2 a C3 jsou mezi sebou zapojeny sériově,
  • zdroj napětí UZ je připojen do obvodu ke všem kondenzátorům v sérii paralelně,
  • napětí na jednotlivých kondenzátorech má rozdílnou hodnotu,
  • v obvodu platí druhý Kirchhoffův zákon: UZ=UC1+UC2+UC3 ,
  • velikost uloženého náboje bude v jednotlivých kondenzátorech stejná.
Výpočty:
Výpočet velikosti náboje na jednotlivých kondenzátorech určíme ze vztahu:
C=QUQ=C·U.
Pro velikost náboje na jednotlivých kondenzátorech v sériovém zapojení platí vztah:
QC=QC1=QC2=QC3 .
Všemi kondenzátory v sériovém zapojení protekl stejný nabíjecí proud!!!
Na kondenzátoru C1 bude napětí UC1:
UC1=QC1C1= ?C1 .
Hodnotu napětí UC1 nelze ze zadaných parametrů vypočítat, neznáme hodnotu náboje QC1. Z výše uvedené rovnice rovnosti nábojů můžeme vypočítat QC ze vzorce:
QC=Cvýsledná·UZ .
Výsledná kapacita Cvýsledná je hodnota kapacity obvodu v místě připojení zdroje UZ. V našem obvodu je celková kapacita Cvýsledná dána sériovým zapojením C1, C2 a C3.
1Cvýsledná=1C1+1C2+1C3 ,
1Cvýsledná=C2·C3+C1·C3+C1·C2C1·C2·C3   po úpravě ,
Cvýsledná=C1·C2·C3C2·C3+C1·C3+C1·C2=5 µF·10 µF·50 µF10 µF·50 µF+5µF·50 µF+5 µF·10 µF=2 500 µF800 µF=3,125 µF .
Pro výsledný náboj platí:
QC=Cvýsledná·UZ=3,125·10-6·8=25·10-6C=25 µC ,
QC=QC1=QC2=QC3=25 µC .
Na kondenzátoru C1 bude napětí UC1:
UC1=QC1C1= 25·10-65·10-6=5 V.
Na kondenzátoru C2 bude napětí UC2:
UC2=QC2C2= 25·10-610·10-6=2,5 V.
Na kondenzátoru C3 bude napětí UC3:
UC3=QC3C3= 25·10-650·10-6=0,5 V.
Kontrola platnosti druhého Kirchhoffova zákona:
UZ=  8 V,
UZ=UC1+UC2+UC3=5+2,5+0,5=8 V .
Ze zdroje napětí byl odebrán náboj QC=25 µC , největší napětí je na kondenzátoru s nejmenší kapacitou.
+
40. [Příklad č. 65] Náboj a napětí na kondenzátorech v obvodu
Obr. 40. [Příklad č. 65] Náboj a napětí na kondenzátorech v obvodu
Příklad
[Příklad č. 65] V obvodu jsou zapojeny čtyři kondenzátory s kapacitami C1 = 5 µF, C2 = 10 µF, C3 = 2 µFC4 = 3 µF. Vypočítejte velikost uloženého náboje (QC1, QC2 a QC4) a napětí (UC1, UC2 a UC4) na jednotlivých kondenzátorech v obvodu. Napětí na kondenzátoru C3 má hodnotu 2,5 V. Z hodnot napětí na jednotlivých kondenzátorech stanovte hodnotu napájecího zdroje UZ.
Zobrazit řešení
Skrýt řešení
Řešení
Kondenzátory C2C3 jsou zapojeny paralelně, napětí na obou kondenzátorech má stejnou velikost.
UC2=UC3=2,5 V
Kondenzátory C2C3 mají odlišnou kapacitu, náboj uložený na kondenzátorech má velikost:
QC2=C2·UC2=10·10-6·2,5=25·10-6C=25 µC ,
QC3=C3·UC3=2·10-6·2,5=5·10-6C=5 µC .
Celkový náboj QC23  uložený na kondenzátorech C2C3 má hodnotu:
QC23=QC2+QC3=25 µC+5 µC=30 µC .
V obvodu s kapacitními prvky zapojenými do série platí rovnost náboje:
QC1=QC23=QC4=30 µC .
Z hodnoty kapacity kondenzátorů C1, C4 a uloženého náboje QC1, QC4  stanovíme jednotlivá napětí
na kondenzátorech:
UC1=QC1C1=30 µC5 µF=30 ·10-65·10-6=6 V ,
UC4=QC4C4=30 µC3 µF=30 ·10-63·10-6=10 V .
Celkové napětí napájecího zdroje UZ se vypočítá podle druhého Kirchhoffova zákona jako součet dílčích napětí kondenzátorů v uzavřené smyčce:
UZ=UC1+UC2+UC4=6+2,5+10=18,5 V
+
41. [Příklad č. 66] Náboj a napětí na kondenzátorech v obvodu
Obr. 41. [Příklad č. 66] Náboj a napětí na kondenzátorech v obvodu
Příklad
[Příklad č. 66] V obvodu jsou zapojeny tři kondenzátory s kapacitami C1 =22 µF, C2 = 100 µF, C3 = 220 µF. Vypočítejte velikost celkového náboje uloženého v kondenzátorech C1, C2, C3 a napětí na kondenzátorech (Uc1 UC3). Napětí zdroje UZ = 12 V.
Zobrazit řešení
Skrýt řešení
Řešení
Vypočítejte samostatně:
…………………………………………………………………….
[Výsledky: UC1 = 9,83 V, UC2 = 2,16 V, UC3 = 12 V, QC1 = 216 µC, QC2 = 216 µC, QC3 = 2,64 mC]
+
42. [Příklad č. 67] Kapacitní dělič v obvodu stejnosměrného napětí
Obr. 42. [Příklad č. 67] Kapacitní dělič v obvodu stejnosměrného napětí
Příklad
[Příklad č. 67] V obvodu jsou zapojeny dva kondenzátory C1 = 5 µF a C2 = 10 µF. Zapojení obou kondenzátorů realizuje kapacitní dělič. Odvoďte vztah pro výpočet výstupního napětí kapacitního děliče. Vypočítejte hodnotu výstupního napětí U2, hodnota vstupního napětí U1 = 30 V.
Zobrazit řešení
Skrýt řešení
Řešení
Zapojení připomíná odporový dělič napětí. Vstupní napětí (svorky A-B) působí na oba kondenzátory zapojené do série (vzhledem k vstupním svorkám), výstupní napětí (svorky C-D) kapacitního děliče je stejné jako napětí na kondenzátoru C2. Celková kapacita v obvodu vzhledem ke svorkám A-B:
1CV=1C1+1C2,   po úpravě   CV=C1·C2C1+C2 ,
CV=5·10-6·10·10-65·10-6+10·10-6=50·10-1215·10-6=3,333·10-6=3,333 µF.
Pro náboj na kondenzátorech platí:
QC=QC1=QC2 ,
QC=CV·UZ=3,333·10-6·30=100 · 10-6C=100 µC.
Pro hodnotu výstupního napětí U2 můžeme psát:
U2=UC2=QC2C2=100·10-610·10-6=10 V.
Obecný vztah pro výpočet výstupního napětí kapacitního děliče ve stejnosměrném obvodu:
U2=UZ·CVC2
Dosazením známých hodnot provedeme kontrolu výpočtu:
U2=UZ·CVC2=30·3,333·10-610·10-6=10 V .
Platnost vztahu potvrzena, výstupní napětí U2 = 10 V.
+
43. [Příklad č. 68] Napětí na kondenzátoru v obvodu s přepínačem
Obr. 43. [Příklad č. 68] Napětí na kondenzátoru v obvodu s přepínačem
Příklad
[Příklad č. 68] V obvodu jsou zapojeny dva kondenzátory s kapacitami C1 = 470 µF a C2 = 1000 µF. Slovně popište obvodové veličiny a vypočítejte velikost napětí na kondenzátoru C2 (po ustálení) při přepnutí přepínače z polohy „A“ do polohy „B“. Napětí zdroje UZ = 15 V.
Zobrazit řešení
Skrýt řešení
Řešení
Slovní popis obvodových veličin:
  • v obvodu je zapojen ideální zdroj napětí UZ a dva ideální kondenzátory,
  • pokud se přepínač nachází dostatečně dlouhou dobu v poloze „A“, stačí se kondenzátor C1 nabít a napětí na jeho svorkách dosáhne napětí zdroje UZ,
  • na deskách kondenzátoru C1 bude uložen náboj QC1A,
  • přepnutím přepínače do polohy „B“ se kondenzátor C1 odpojí od zdroje UZ a dojde k paralelnímu spojení kondenzátorů C1C2,
  • část náboje uloženého na C1 se přesune do kondenzátoru C2, napětí na kondenzátoru C1 se sníží.
Výpočet napětí na kondenzátorech:
  1. Přepínač v poloze „A“:
Napětí na kondenzátoru C1:
UC1A=UZ= 15 V.
Náboj uložený na kondenzátoru C1:
QC1A= C1·UZ=470·10-6·15=7 050 µC .
  1. Přepínač v poloze „B“:
Celková kapacita paralelního zapojení kondenzátorů C1 a C2:
CV=C1+C2=470+1000=1 470 µF.
Náboj QC1A se přerozdělí do obou kondenzátorů:
C=QUze vzorce vyjádříme napětí U=QC,
Pro napětí na kondenzátorech platí:
UC1B=UC2B=QC1ACV=7 050·10-61 470·10-64,8 V.
[Výsledky: Napětí na C1 poklesne z hodnoty 15 V na 4,8 V, napětí na kondenzátoru C2 se zvýší z hodnoty 0 V na hodnotu 4,8V.]
+
44. [Příklad č. 69] Napětí na kondenzátorech v obvodu s přepínačem
Obr. 44. [Příklad č. 69] Napětí na kondenzátorech v obvodu s přepínačem
Příklad
[Příklad č. 69] V obvodu jsou zapojeny tři kondenzátory s kapacitami C1 = 220 µF, C2 = 100 µF a C3 = 470 µF. Vypočítejte velikost napětí a náboje uloženého v kondenzátorech C1, C2 a C3 při postupném přepínání z polohy „A“ do polohy „C“ přes polohu „B“. Napětí zdroje UZ = 50 V.
Zobrazit řešení
Skrýt řešení
Řešení
Vypočítejte samostatně:
…………………………………………………………..
[Výsledky: Přepínač v poloze A: UC1 = 50 V, QC1 = 11 mC. Přepínač v poloze B: UC1 UC2  34,4 V, QC1 = 7,57 mC, QC2 = 3,44 mC. Přepínač v poloze C: UC1 UC3=  10,97 V, QC1 = 2,42 mC, QC3 = 5,16 mC.]