2.4
Klopný obvod T
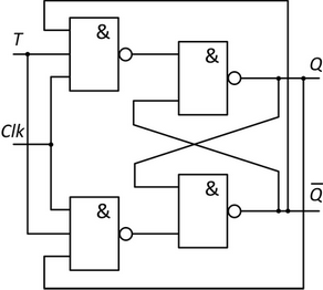
Obdobně jako klopný obvod D, vzniklý spojením vstupů klopného obvodu RS, klopný obvod T získáme tak, že spojíme navzájem vstupy J a K klopného obvodu JK (tentokrát bez použití negace) z obrázku 14. Zapojení klopného obvodu T ukazuje obrázek 23. Obvod obsahuje datový vstup T, hodinový vstup Clk a dvojici výstupů
a
.
+

Obr. 23. Zapojení klopného obvodu T.
Z původní pravdivostní tabulky 2 klopného obvodu JK vybereme ty řádky, pro které platí rovnost obou vstupů J = K, a získáme tak pravdivostní tabulku 4 klopného obvodu T.
Tabulka 4. Pravdivostní tabulka klopného obvodu T.
T | Qt+1 | transformace |
0 | M | |
1 | K |
Klopný obvod T tedy vykonává jen dvě transformace – v případě paměťové transformace pouze uchovává svoji hodnotu a při klopné transformaci překlápí do opačné hodnoty na výstupu.
Graf přechodů a obvodovou značku klopného obvodu T nalezneme na obrázku 24.
+

Obr. 24. Graf přechodů (vlevo) a schematická značka (vpravo) klopného obvodu T.
Zajímavost
Z anglického výrazu toggle (překlápění) vzniklo i označení pro klopný obvod T.
Poznámka
Klopné obvody najdeme samozřejmě také jako integrované obvody řady 7400 v nejrůznějších provedeních. Protože se v praxi nejvíce uplatňují klopné obvody JK a D, mají v řadě 7400 největší zastoupení.
Klopný obvod RS bychom našli v katalogu například jako integrovaný obvod 74LS279A. Jedná se o 4× klopný obvod RS, avšak s invertovanými vstupy R a S, vyrobený v řadě TTL Low-power Schottky.
Integrovaných obvodů s klopnými obvody JK a D bychom v řadě 7400 objevili větší množství v různých úpravách a provedeních. Například 74LS76A obsahuje 2× klopný obvod JK se vstupy preset a clear opět v provedení Low-power Schottky TTL, 74104 obsahuje 1× master-slave zapojení klopného obvodu JK v provedení standardní řady TTL, zatímco 74H103 je integrovaný obvod s dvojicí klopných obvodů JK reagujících na sestupnou hranu hodinového signálu a se vstupy preset a clear vyrobený v řadě High-speed TTL. Klopné obvody D integrované v obvodech řady 7400 pak můžeme nalézt například jako 74LS74A (či 7479) – 2× klopný obvod D reagující na vzestupnou hranu Clk s asynchronními vstupy preset a clear v provedení Low-power Schottky TTL či ve standardní řadě TTL – nebo obvod 74LS171 – 4× klopný obvod D se společným vstupem Clk a clear, vyrobený v provedení Low-power Schottky TTL.