4.6
Obvodová realizace funkce
Realizací (zápisem) logické funkce pomocí schématických značek logických hradel ve formě obvodu se bude zabývat zejména navazující text „Minimalizace logických funkcí a jejich realizace pomocí hradel“, zde si jen uvedeme tuto možnost do výčtu používaných způsobů zápisu logických funkcí.
Zakreslení logického obvodu pomocí standardizovaných značek logických hradel (viz kapitola 2) představuje vlastně realizaci dané logické funkce ve formě logického obvodu. Svým způsobem se ale zároveň jedná i o zápis logické funkce.
Souhrn
V předchozí kapitole 4.3.2 jsme si uvedli, že v případě realizace logické funkce pomocí hradel NAND vycházíme z disjunktní formy, zatímco při použití hradel NOR je výhodná forma funkce konjunktní.
Výhody
Zakreslení logického obvodu pomocí schématických značek logických hradel nám dává okamžitou možnost realizace daného obvodu a také umožňuje například analýzu zpoždění či vzniku tzv. logických hazardů.
Nevýhody
Logická funkce zakreslená jako obvodové schéma neumožňuje přímo provádět žádné úpravy funkce, např. minimalizaci, převod formy funkce, zakreslení Karnaughovy mapy či tělesa funkce apod. Je nejprve potřeba analyzovat daný logický obvod a zapsat algebraické vyjádření jím realizované funkce. S tímto vyjádřením lze pak teprve provádět požadované operace a úpravy.
Příklad
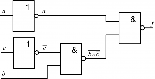
Realizaci funkce f popsané její pravdivostní tabulkou 7 pomocí hradel NAND a invertorů ukazuje obrázek 23.
+

Obr. 23. Zápis (realizace) logické funkce f dle její pravdivostní tabulky 7 pomocí hradel NAND a invertorů
Zajímavost
Logickou negaci můžeme vytvořit i přímo pomocí hradla NAND a není tak nutno používat hradla invertor. Více si ukážeme v navazujícím textu „Minimalizace logických funkcí a jejich realizace pomocí hradel“.