9.1
Klopný obvod RS
+

Obr. 65. RS klopný obvod - schématická značka
+

Obr. 66. RS klopný obvod-zapojení se dvěma hradly NAND
Nejjednodušší bistabilní klopný obvod je možné sestavit jako klopný obvod RS ze dvou dvouvstupových hradel NAND nebo hradel NOR. Protože tento obvod může být nastaven (do stavu Q=1) pouze signálem 0 a nulován signálem 1 (tedy opačně vzhledem k zavedené konvenci), jsou vstupy označeny
,
(jako negované). Za výchozí stav tohoto obvodu je považován stav Q=0 a
=1, když obvod není nastaven. Je-li
=0, jsou na vstupech hradla NAND A stavy 0 a 1. Na výstupu hradla NAND A je tedy stav 1. Je-li na vstupu
stav 1 (při
=0), je na obou vstupech NAND B stav 1, výstup
překlopen do stavu 0. V tomto stavu je obvod nastaven, tj. Q=1,
=0. Pokud má být uvedený klopný obvod RS nastavován 1 a nulován 0, je nutno na vstupy zařadit invertory. Pro dvojici binárních vstupů R, S existují 4 variace (s opakováním), tedy pravdivostní tabulka klopného obvodu RS má 4 řádky. Jsou-li oba vstupy R, S ve stavu 0, nedojde na výstupu Q v n+1 kroku ke změně a na výstupu Q zůstává stav z předchozího (n-tého) kroku, tj. Qn+1 = Qn. Bez budicích signálů (reset nebo set) zůstává tedy stav této jednobitové paměti zachován.
+

Obr. 67. Klopný obvod ovládaný signály 1 (s invertory)
+

Obr. 68. Klopný obvod ovládaný signály 1 - pravdivostní tabulka
Stav 1 na obou vstupech R, S je neurčitý stav, který je stabilní pro Q=1,
=0 stejně jako pro Q=0,
=1. Při současné změně obou vstupů z 0 na 1 nelze předem určit, do kterého stavu se obvod překlopí, resp. zda se překlopí do jiného stavu. Při používání jednoduchého klopného obvodu RS je tedy třeba se uvedenému neurčitému stavu vyhýbat. Výstup při neurčitém stavu je v pravdivostní tabulce označen otazníkem.
+

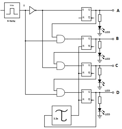
Obr. 69. Příklad využití klopných obvodů-postupné spínání LED
Postupné spínání je používáno většinou v případech, kdy je nutno zapínat jednotlivá zařízení v určitém pořadí nebo před zapnutím zařízení zapínat postupně pomocné obvody. K řízení postupného spínání je možno použít taktovací logický obvod s klopnými obvody RS. Taktovací generátor vytváří logické impulzy T (0; 1) s periodou 1 s (f = 1 Hz). Nastavení klopného obvodu (Q = 1) je indikováno rozsvícením LED. Celý obvod je znovu nastaven do výchozího stavu (na všech výstupech 0) se zpožděním 3,2 s po nastavení výstupu D do stavu 1. LED se postupně rozsvěcují a pak všechny najednou zhasnou a děj se periodicky opakuje.
+

Obr. 70. Příklad použití RS klopného obvodu - úprava signálu zakmitávajícího (odskakujícího) kontaktu
Při spínání mechanických kontaktů dochází po vzájemném nárazu k odskokům a tím k opětovnému přerušování již sepnutého obvodu až do konečného ustáleného stavu trvalého sepnutí. Takto vzniklé impulzy mohou i při krátkém trvání změnit nežádoucím způsobem stavy některých citlivých logických obvodů. Signál zakmitávajícího kontaktu může být nahrazen signálem následně zařazeného klopného obvodu RS. Klopný obvod RS je překlopen při prvním sepnutí kontaktu a následné přerušování signálu jen způsobí stav 0 na obou vstupech R, S, což neovlivní stav výstupu Q. Odskok kontaktu přivádějícího logickou 1 na některý ze vstupů R nebo S tedy neovlivní stav na výstupu Q.